Заказать звонок
Ваше имя
*
Телефон
*
Я даю свое согласие на обработку моих персональных данных, в соответствии с Федеральным законом от 27.07.2006 года №152-ФЗ «О персональных данных», и подтверждаю, что я ознакомлен с Публичной офертой.
Скидки
Доставка
О компании
Контакты
+7 (3494) 22-21-82
Заказать звонок
Вход
0
0
0
Каталог
График работы магазина:
09.00-19.00 без перерывов и выходных
Новый Уренгой
Сургут
Ноябрьск
Нижневартовск
Новый Уренгой
Охота и самооборона
Оружие охотничье
Патроны
Аксессуары для арбалетов, луков. Рогатки.
Уход за оружием
Запчасти к оружию
Тюнинг оружия
Патроны для холодной пристрелки
Макеты оружия (ММГ)
Ножи и мультитулы
Оптика
Пневматика
Оружие служебное
Оружие для самообороны (ОООП)
Сигнальная пиротехника
Аксессуары для стрельбы
Средства самообороны и спецсредства
Снаряжение для патронов
Хранение и транспортировка оружия
Экипировка
Показать еще
Туризм
Афганские казаны
Ведра складные
Газовое и бензиновое оборудование
Домашнее консервирование
Защита от комаров, мошек, клещей
Обогреватели для рук, грелки каталитические
Лыжи, снегоступы
Изотермическое оборудование
Мангалы
Инструменты для туризма
Коврики туристические и пикниковые пледы
Костровое оборудование
Палатки, тенты и аксессуары
Продукция из паракорда
Подарочная продукция
Солнечные панель
Термосы, термокружки
Вентиляторы мобильные
Посуда
Рационы питания
Походные аксессуары
Приготовление пищи без огня
Рюкзаки, сумки
Засидки, маскировочные сети
Спальные мешки
Специальное туристическое снаряжение
Стулья-рюкзаки
Мебель для туризма
Тюбинги
Товары первой необходимости
Показать еще
Одежда и обувь
SHAMAN (ХСН)
Мужская одежда и обувь
Женская одежда и обувь
Детская одежда и обувь
Аксессуары для одежды и обуви
Дождевики
Очки
Показать еще
Техника
Снегоходы
Мотобуксировщики
Доп. оборудование для мототехники
Прицепы и аксессуары
Сани, кофры, комплектующие, чехлы
Шлемы, очки для снегоходов, квадроциклов
TINGER
Лодки и аксессуары
Генераторы
Лодочные моторы и аксессуары к ним
Баки и канистры универсальные
Масла, Антифризы
Запчасти для мототехники
ARGO
Автоаксессуары
Показать еще
Электроника
Подводная камера
Навигаторы и аксессуары
Эхолоты и аксессуары
Радиостанции и аксессуары
Видеорегистраторы
Спутниковые телефоны
Фонари и аксессуары
Батарейки и зарядные устройства
Аккумуляторы, зарядные устройства, кабели, антенны
Показать еще
Рыболовные товары
Зимняя рыбалка
Летняя рыбалка
ПОДАРОЧНЫЕ СЕРТИФИКАТЫ
Товары по брендам
Mepps
Salmo
Lucky John
ВОЛЖАНКА
МЗСА
Leapers
NovaTex
Kosadaka
Argo
Hakko
Yukon
Strike Pro
Daiwa
Gamo
Shimano
Owner
МЕТКОН
Marocchi
Техкрим
Rapala
BlueFox
Mora
Stoeger
Феттер
Motul
HONDA
Bushnell
Наши лодки
Benelli
JigLine
Garmin
Sightmark
Оникс
Carl Zeiss
Nikon
ATA Arms
СКМ Индустрия
ВОРСМЕНСКИЙ НОЖ
ЗЗОСС
Fabarm
Power Pro
MARLIN
Armytek
Главпатрон
Аргут
Comfort
NORVEG
PONTOON21
Azot
Sabatti
Leupold
Carver
Led Lenser
Ataman
Interloper
Jiffy
Midland
Mossberg
Лотос
Русская механика
Irbis
Motorola
FHM
Pentax
Lucky
Показать еще
Главная
-
Каталог
-
Техника
-
ARGO
ARGO - page 10
Доп.оборудование для вездеходов ARGO
()
Запчасти к вездеходам ARGO
()
Техника
ARGO
Доп.оборудование для вездеходов ARGO
Запчасти к вездеходам ARGO
Товары в наличии
Да
Бренд
Argo
Выбрано
0
Показать
Выбрано
0
Показать
По популярности
По алфавиту
По цене
По наличию
Фильтр
Тент на вездеход Argo Avenger 8x8
Нет в наличии
147 000 руб. /шт
В корзину
Подшипник 6307 ZZE Argo (A101-81)
Нет в наличии
3 200 руб. /шт
В корзину
Чехол стояночный для всех моделей Argo 8х8 (A821-40)
Нет в наличии
33 200 руб. /шт
В корзину
Суппорт тормозной Argo правый (А166-13)
Нет в наличии
21 500 руб. /шт
В корзину
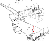
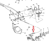
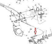
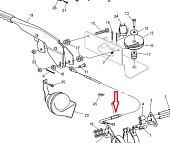
Трос привода стояночного тормоза Argo HDI (165-33)
Нет в наличии
5 600 руб. /шт
В корзину
Термостат Mercury 15
Нет в наличии
3 100 руб. /шт
В корзину
Трос тормоза Argo (128-21)
Нет в наличии
3 700 руб. /шт
В корзину
Блокиратор нейтрали Argo 750 HDI (A613-151)
Нет в наличии
3 510 руб. /шт
В корзину
Фильтр маслянный АРГО (не оригинал) РН 5822
Нет в наличии
от 370 руб. /шт
В корзину
Гусеницы пластиковы ARGO 8X8 Conquest (815-42)
Нет в наличии
246 000 руб. /пар
В корзину
Сальник 25х62х7 (A102-37)
Нет в наличии
350 руб. /шт
В корзину
Втулка ARGO (A105-27)
Нет в наличии
160 руб. /шт
В корзину
Часть дифференциала Argo (A34-206)
Нет в наличии
12 300 руб. /шт
В корзину
Шина ARGO 22x10-8 NHS (A127-179)
Нет в наличии
16 500 руб. /шт
В корзину
Вариатор ведущий Argo Avenger, Avenger 750 EFI (A610-128)
Нет в наличии
56 900 руб. /шт
В корзину
Трос газа (А 612-101)
Нет в наличии
7 790 руб. /шт
В корзину
Трос привода стояночного тормоза HDI (A166-33)
Нет в наличии
6 700 руб. /шт
В корзину
Диск колеса цвет черный Argo А127-61BL
Нет в наличии
13 300 руб. /шт
В корзину
Диск тормозной AVENGER ARGO (A606-74)
Нет в наличии
10 450 руб. /шт
В корзину
Диск колеса, цвет "черный", 8 дюймов A125-13BL
Нет в наличии
6 700 руб. /шт
В корзину
Показать еще
1
8
9
10
11
12
23
Argo
Лучшие предложения
Печь Экономка "ИНВЕНТ" Малая, с регулирующимися экранами 510х290х335 (нерж.)
Мало
10 190 руб. /шт
Подробнее
Палатка рыбака СТЭК куб-3 трехслойная дышащая ДУБЛЬ
Нет в наличии
22 890 руб. /шт
Подробнее
Палатка SUMMER-3 (ZH-A034-3) 3-х местная
Нет в наличии
3 090 руб. /шт
Подробнее
Баллончик СО2, 12гр. (500шт. упк.)
Много
51 руб. /шт
Подробнее
Мотор лодочный TOYAMA TA3.5
Нет в наличии
16 990 руб. /шт
Подробнее
Афганский казан 10 л.
Нет в наличии
5 190 руб. /шт
Подробнее
Костюм демисезонный Sherwood RBF (Guron), сумрак
Достаточно
от 4 750 руб.
Подробнее
Патрон дроб. 12/70 б/к Патрон для охоты 32гр
Нет в наличии
от 48 руб.
Подробнее
Меню
Охота
Оружие охотничье
Патроны
Аксессуары для арбалетов, луков. Рогатки.
Уход за оружием
Запчасти к оружию
Тюнинг оружия
Патроны для холодной пристрелки
Макеты оружия (ММГ)
Ножи и мультитулы
Оптика
Пневматика
Оружие служебное
Оружие для самообороны (ОООП)
Сигнальная пиротехника
Аксессуары для стрельбы
Средства самообороны и спецсредства
Снаряжение для патронов
Хранение и транспортировка оружия
Экипировка
Туризм
Афганские казаны
Ведра складные
Газовое и бензиновое оборудование
Домашнее консервирование
Защита от комаров, мошек, клещей
Обогреватели для рук, грелки каталитические
Лыжи, снегоступы
Изотермическое оборудование
Мангалы
Инструменты для туризма
Коврики туристические и пикниковые пледы
Костровое оборудование
Палатки, тенты и аксессуары
Продукция из паракорда
Подарочная продукция
Солнечные панель
Термосы, термокружки
Вентиляторы мобильные
Посуда
Рационы питания
Походные аксессуары
Приготовление пищи без огня
Рюкзаки, сумки
Засидки, маскировочные сети
Спальные мешки
Специальное туристическое снаряжение
Стулья-рюкзаки
Мебель для туризма
Тюбинги
Товары первой необходимости
Одежда и обувь
SHAMAN (ХСН)
Мужская одежда и обувь
Женская одежда и обувь
Детская одежда и обувь
Аксессуары для одежды и обуви
Дождевики
Очки
Техника, запчасти
Снегоходы
Мотобуксировщики
Доп. оборудование для мототехники
Прицепы и аксессуары
Сани, кофры, комплектующие, чехлы
Шлемы, очки для снегоходов, квадроциклов
TINGER
Лодки и аксессуары
Генераторы
Лодочные моторы и аксессуары к ним
Баки и канистры универсальные
Масла, Антифризы
Запчасти для мототехники
ARGO
Автоаксессуары
Электроника
Подводная камера
Навигаторы и аксессуары
Эхолоты и аксессуары
Радиостанции и аксессуары
Видеорегистраторы
Спутниковые телефоны
Фонари и аксессуары
Батарейки и зарядные устройства
Аккумуляторы, зарядные устройства, кабели, антенны
Рыбалка
Зимняя рыбалка
Летняя рыбалка
Подарочные сертификаты
Распродажа
Услуги
Покупателям
Акции
Условия оплаты
Доставка
Дисконтная система
Подарочные карты
Вопрос-ответ
Статьи
О компании
Наши магазины
Наша команда
Вакансии
Карточка предприятия
Новости
Отзывы покупателей
Личный кабинет
Сравнение
Корзина
Избранное
Всегда на связи
info@o-n-r.ru
11